一品阁免费论坛,武汉315桑拿夜网论坛,光溜溜瑜伽全套视频

http://m.097h43.cn/uploadfiles/107.151.154.110/webid289/source/201606/200618165243218.jpg
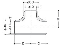
  • 等径三通(大口径) TS

等径三通(大口径) TS

???10S
(kg)
20S
(kg)
?篝?
OD
(mm)
10S20S???????鮓??讀??????琿x
????
ID(mm)
??
T(mm)
????
ID(mm)
??
T(mm)
C(mm)M(mm)
350A14B27.344.8355.6345.65.0339.68.0279.4279.4
4001633.755.3406.4396.45.0390.48.0304.8304.8
4501842.770.2457.2447.25.0441.28.0342.9342.9
5002061.0104.0508.0497.05.5489.09.5381.0381.0
立即咨询
姓名*
电话*
邮箱
留言内容*
验证码*
  
其他产品
热门产品
CopyRight ? 2019-2025   伊诺克(常州)不锈钢制品有限公司  版权所有    网站地图  所有标签   免责声明   中环互联网设计制作
主站蜘蛛池模板: 襄垣县| 灵寿县| 阳城县| 昆明市| 临泉县| 东兰县| 张北县| 福建省| 财经| 定兴县| 临潭县| 赤峰市| 虞城县| 墨玉县| 滨州市| 六枝特区| 分宜县| 时尚| 南澳县| 定襄县| 乳源| 那曲县| 京山县| 安丘市| 泾川县| 淳化县| 金乡县| 云梦县| 黔江区| 彭阳县| 中超| 北京市| 阿城市| 台山市| 昂仁县| 民权县| 密山市| 盐源县| 南靖县| 望城县| 怀来县|