
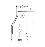
| 呼び径 ①x②(mm) | 外径(mm) | 10S厚さ(mm) | 20S厚さ(mm) | 40S厚さ(mm) | 端面から端面 までの距離(mm) | |||||
| D1 | D2 | T1 | T2 | T1 | T2 | T1 | T2 | H | ||
| 20x15A | 3/4x1/2B | 27.2 | 21.7 | 2.1 | 2.1 | 2.5 | 2.5 | 2.9 | 2.8 | 38.1 |
| 25x20 | 1x3/4 | 34.0 | 27.2 | 2.8 | 2.1 | 3.0 | 2.5 | 3.4 | 2.9 | 50.8 |
| 25x15 | 1x1/2 | 34.0 | 21.7 | 2.8 | 2.1 | 3.0 | 2.5 | 3.4 | 2.8 | 50.8 |
| 32x25 | 11/4x1 | 42.7 | 34.0 | 2.8 | 2.8 | 3.0 | 3.0 | 3.6 | 3.4 | 50.8 |
| 32x20 | 11/4x3/4 | 42.7 | 27.2 | 2.8 | 2.1 | 3.0 | 2.5 | 3.6 | 2.9 | 50.8 |
| 32x15 | 11/4x1/2 | 42.7 | 21.7 | 2.8 | 2.1 | 3.0 | 2.5 | 3.6 | 2.8 | 50.8 |
| 40x32 | 11/2x11/4 | 48.6 | 42.7 | 2.8 | 2.8 | 3.0 | 3.0 | 3.7 | 3.6 | 63.5 |
| 40x25 | 11/2x1 | 48.6 | 34.0 | 2.8 | 2.8 | 3.0 | 3.0 | 3.7 | 3.4 | 63.5 |
| 40x20 | 11/2x3/4 | 48.6 | 27.2 | 2.8 | 2.1 | 3.0 | 2.5 | 3.7 | 2.9 | 63.5 |
| 50x40 | 2x11/2 | 60.5 | 48.6 | 2.8 | 2.8 | 3.5 | 3.0 | 3.9 | 3.7 | 76.3 |
| 50x32 | 2x11/4 | 60.5 | 42.7 | 2.8 | 2.8 | 3.5 | 3.0 | 3.9 | 3.6 | 76.3 |
| 50x25 | 2x1 | 60.5 | 34.0 | 2.8 | 2.8 | 3.5 | 3.0 | 3.9 | 3.4 | 76.3 |
| 65x50 | 21/2x2 | 76.3 | 60.5 | 3.0 | 2.8 | 3.5 | 3.5 | 5.2 | 3.9 | 88.9 |
| 65x40 | 21/2x11/2 | 76.3 | 48.6 | 3.0 | 2.8 | 3.5 | 3.0 | 5.2 | 3.7 | 88.9 |
| 80x65 | 3x21/2 | 89.1 | 76.3 | 3.0 | 3.0 | 4.0 | 3.5 | 5.5 | 5.2 | 88.9 |
| 80x50 | 3x2 | 89.1 | 60.5 | 3.0 | 2.8 | 4.0 | 3.5 | 5.5 | 3.9 | 88.9 |
| 80x40 | 3x11/2 | 89.1 | 48.6 | 3.0 | 2.8 | 4.0 | 3.0 | 5.5 | 3.7 | 88.9 |
| 100x80 | 4x3 | 114.3 | 89.1 | 3.0 | 3.0 | 4.0 | 4.0 | 6.0 | 5.5 | 101.6 |
| 100x65 | 4x21/2 | 114.3 | 76.3 | 3.0 | 3.0 | 4.0 | 3.5 | 6.0 | 5.2 | 101.6 |
| 100x50 | 4x2 | 114.3 | 60.5 | 3.0 | 2.8 | 4.0 | 3.5 | 6.0 | 3.9 | 101.6 |
| 125x100 | 5x4 | 139.8 | 114.3 | 3.4 | 3.0 | 5.0 | 4.0 | 6.6 | 6.0 | 127.0 |
| 125x80 | 5x3 | 139.8 | 89.1 | 3.4 | 3.0 | 5.0 | 4.0 | 6.6 | 5.5 | 127.0 |
| 125x65 | 5x21/2 | 139.8 | 76.3 | 3.4 | 3.0 | 5.0 | 3.5 | 6.6 | 5.2 | 127.0 |
| 150x125 | 6x5 | 165.2 | 139.8 | 3.4 | 3.4 | 5.0 | 5.0 | 7.1 | 6.6 | 139.7 |
| 150x100 | 6x4 | 165.2 | 114.3 | 3.4 | 3.0 | 5.0 | 4.0 | 7.1 | 6.0 | 139.7 |
| 150x80 | 6x3 | 165.2 | 89.1 | 3.4 | 3.0 | 5.0 | 4.0 | 7.1 | 5.5 | 139.7 |
| 200x150 | 8x6 | 216.3 | 165.2 | 4.0 | 3.4 | 6.5 | 5.0 | 8.2 | 7.1 | 152.4 |
| 200x125 | 8x5 | 216.3 | 139.8 | 4.0 | 3.4 | 6.5 | 5.0 | 8.2 | 6.6 | 152.4 |
| 200x100 | 8x4 | 216.3 | 114.3 | 4.0 | 3.0 | 6.5 | 4.0 | 8.2 | 6.0 | 152.4 |
| 250x200 | 10x8 | 267.4 | 216.3 | 4.0 | 4.0 | 6.5 | 6.5 | 9.3 | 8.2 | 177.8 |
| 250x150 | 10x6 | 267.4 | 165.2 | 4.0 | 3.4 | 6.5 | 5.0 | 9.3 | 7.1 | 177.8 |
| 250x125 | 10x5 | 267.4 | 139.8 | 4.0 | 3.4 | 6.5 | 5.0 | 9.3 | 6.6 | 177.8 |
| 300x250 | 12x10 | 318.5 | 267.4 | 4.5 | 4.0 | 6.5 | 6.5 | 10.3 | 9.3 | 203.2 |
| 300x200 | 12x8 | 318.5 | 216.3 | 4.5 | 4.0 | 6.5 | 6.5 | 10.3 | 8.2 | 203.0 |
| 300x150 | 12x6 | 318.5 | 165.2 | 4.5 | 3.4 | 6.5 | 5.0 | 10.3 | 7.1 | 203.2 |
底部导航
产品分类
联系我们
支付宝二维码
